Home
MyKooltronic Account
U UserID
CUSTOMER NO.
COMPANY NAME
MyKooltronic Home
Update Your Account
View Orders
View Invoices
Track Shipments
View Shopping Cart
View Quote Requests (RFQ)
Logout
Cart
Your Shopping Cart
Your Cart is Empty

View Cart
RFQ
Your Quote Requests
You have no products to be quoted

View RFQ Cart
(609) 466-3400 Contact Us!
(609) 466-3400 Contact Us!
  • Products & Services
    • All Products
    • Air Conditioners
    • Centrifugal & Rack-Mount Blowers
    • Fans & Fan Trays
    • Heat Exchangers
    • Custom Cooling Design
    • Enclosure Accessories
    • Spare/Replacement Parts
    • Contract Manufacturing Services
  • Industries
    • All Industries
    • Battery Energy Storage Systems
    • Micro Data Centers
    • Kiosks, ATMs & Smart Lockers
    • Medical Technology
    • Wastewater & Water Treatment
    • Transportation
    • Industrial Manufacturing
    • Hazardous Locations
    • Food & Beverage
    • Military & Avionics
    • Critical Infrastructure
    • Security Detection & Surveillance
  • Sizing
  • Resources
    • Cooling Solutions Blog
    • MyKooltronic Customer Portal
    • Product Documentation
    • Whitepapers
    • An Intro to Closed Loop Cooling
    • Quality & Compliance Certficates ►
      • ISO 9001:2015 Certificate
      • UL Client Test Data Program Certificate
      • ROHS 3 Compliance Statement
      • REACH Declaration
      • Kooltronic Quality Policy
      • Conflict Minerals Report
      • CE Certificate of Conformity
    • Credit Application
    • Credit Reference Form
  • About Us
    • About Kooltronic
    • News & Announcements
    • Eco-Friendly Practices
    • Interactive Timeline
    • Virtual Tour
    • Our Core Values
    • Careers with Kooltronic
  • Contact Us
    • Send Us a Message
    • Sales Team
    • After Sale Kare (ASK)
  • Shopping Cart
  • RFQ Cart
  • MyKooltronic
{1}
##LOC[OK]##
{1}
##LOC[OK]## ##LOC[Cancel]##
{1}
##LOC[OK]## ##LOC[Cancel]##

KBC2E192/40C 2-Pole Motorized Impellers

Product Photo Thumbnail
LightBox Active Image

Image 1 of 1
ce-crus logo
$223.00
Update Qty
Show Price Breaks ▼ Hide Price Breaks ▲
Contact Kooltronic  for Contractor, Panel Builder, Integrator, or Distributor pricing.
QuantityPrice Each
1-1$223.00
2-4$219.00
5-9$201.00
10-24$188.00
25-49$174.00
50-99$174.00
100+$174.00
Currently out of stock. Request a Quote for lead time. Minimum order quantities may apply.
Order 1 more and pay $219.00 each

ModelCFM
@ 0"
S.P.
Cutoff S.P.VoltsAmpsWattsCapacitor
µF
RPMdBAMin. TempMax. Temp
KBC2E192/40C4211.9115/600.81938.0297564-40°F/-40°C122°F/50°C

TECHNICAL DATA

Model
Number:
CFM @ 0" S.P.VoltsWatts
KBC2E192/40C421115/6093
Cutoff S.P. (IWG): 1.9
Amps: 0.81
Capacitor: 8.0 µF
RPM: 2975
Noise db(A): 64
Min. Operating Temp. °F: -40°F/-40°C
Max. Operating Temp. °F: 122°F/50°C

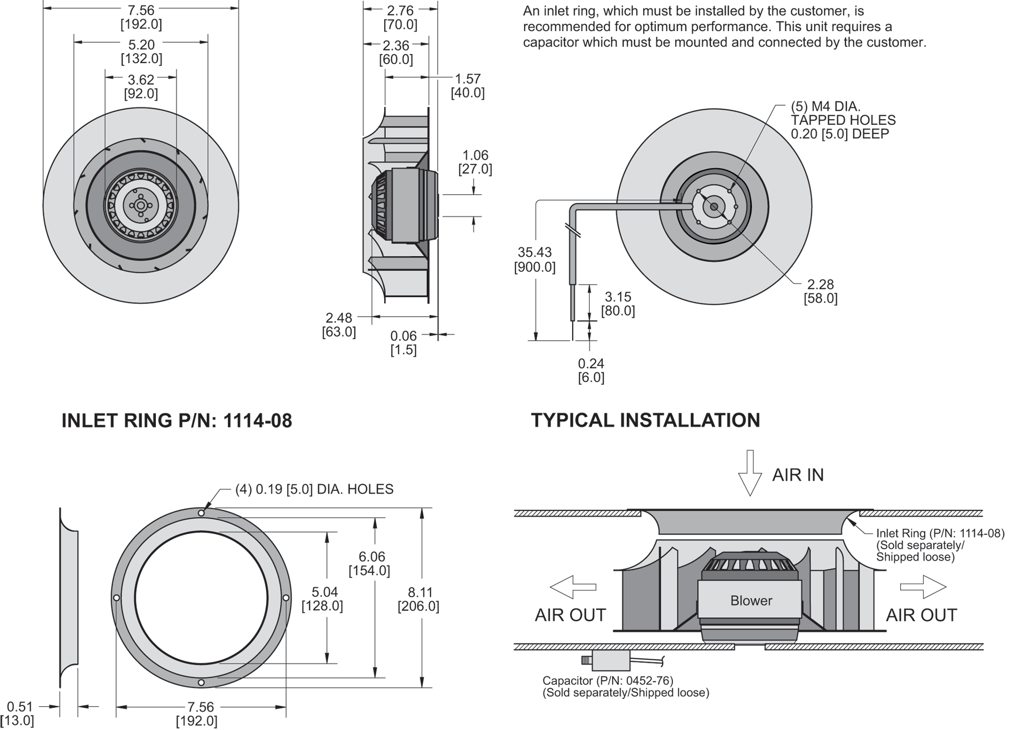
NOTE: This unit requires a capacitor for operation. Capacitors are sold separately and shipped loose for field installation by customer. Capacitor Part Number: 0452-76

An Inlet Ring is recommended for optimum performance. These are sold separately, to be installed by the customer. Inlet Ring Part Number: 1114-08

Select both accessories, if needed, when Requesting a Quote.

  • Standard Features
  • Accessories & Options
  • Performance
  • Arrangement
  • Similar Models
  • Documents
• 421 CFM Capacity
• Available in 115 VAC, 60Hz
• Class F, thermally protected
• Compact size
• External rotor design
• Low noise level
• Normally in-stock
• Precision balanced
• Precision ball bearing motors
• UL 94 V-0 plastic impeller
• UL Recognized
UL Recognized. UL/CUL Listed models are available at added cost.

• Automatic Speed Control (Basic Blowers)
• Capacitor Part Number: 0452-76
• Inlet Ring Part Number: 1114-08

KBC2E192/40C Impeller performance chart
Click on image for larger view
General Arrangement Thumbnail
LightBox Active Image

Image 1 of 1
KBC2E192/40C Impeller general arrangement drawing
Dimensions, inches [mm], are for reference only and subject to change.

Dimensions, inches [mm], are for reference only and subject to change.
Similar Models for this product family are not currently available. Please contact Customer Service for more information.
  • Data Sheet
    KBC2E192-40C Impeller Product Data Sheet [178Kb]
  • Literature
    Increasing the Lifespan and Reliability of Electrical Components [212Kb]
    Kooltronic Custom Capabilities Flyer [2194Kb]
    Kooltronic Custom Cooling Medical Flyer [211Kb]
    Kooltronic Design Guide/Catalog (220 pages) [229400Kb]
    Kooltronic Refrigeration System Manufacturing [55Kb]
    Kooltronic Standard Warranty [55Kb]
    Kooltronic Unit Longevity Press Release [167Kb]
    NEMA Enclosure Ratings [91Kb]
    Short-Form Catalog (16 pages) [897Kb]
    Fans & Fantrays Quick-Sheet [87Kb]
    Airflow Switch Data Sheet [159Kb]
    Advantage Series Filter Fan Brochure [376Kb]
    Filter Fan Flyer [136Kb]
    Guardian Series NEMA 4 or 4X Filter Fan Flyer [1047Kb]
    Laboratory Environmental Testing Services [157Kb]
    Powder Paint Application Facilities Flyer [165Kb]

Footer logo
Sunday, April 12, 2026  
©2026 Kooltronic, Inc. - All rights reserved.
Terms of Use
Contact Info:
Kooltronic, Inc.
30 Pennington-Hopewell Road
Pennington, NJ 08534 USA
609-466-3400
800-321-KOOL
609-466-1114 (fax)
Contact Us
Popular links:

Home
Product Sizing and Selection
Catalogs/Brochures
Sales Team
Careers
MyKooltronic

LinkedIn profile icon Twitter profile icon YouTube profile icon Facebook profile icon Kooltronic Blog icon
ISO-9001 logo Made In USA logo

Search